Energia Eólica
Introdução à Energia Eólica
A geração de energia eólica é o processo de converter a energia do vento em energia mecânica e, posteriormente, em energia elétrica. Esse processo não requer combustível, não emite radiação e não gera poluição do ar, tornando-se uma das fontes de energia limpa mais sustentáveis e em rápido crescimento no mundo.
A Baoquan Zhijie oferece soluções completas em semicondutores de potência para sistemas de energia eólica, incluindo conversores, inversores e módulos de controle. Nossos módulos IGBT de 1700 V (50A–900A) proporcionam o melhor desempenho para diferentes faixas de potência em aplicações industriais e de geração de energia.
Diagrama do Sistema de Aplicação

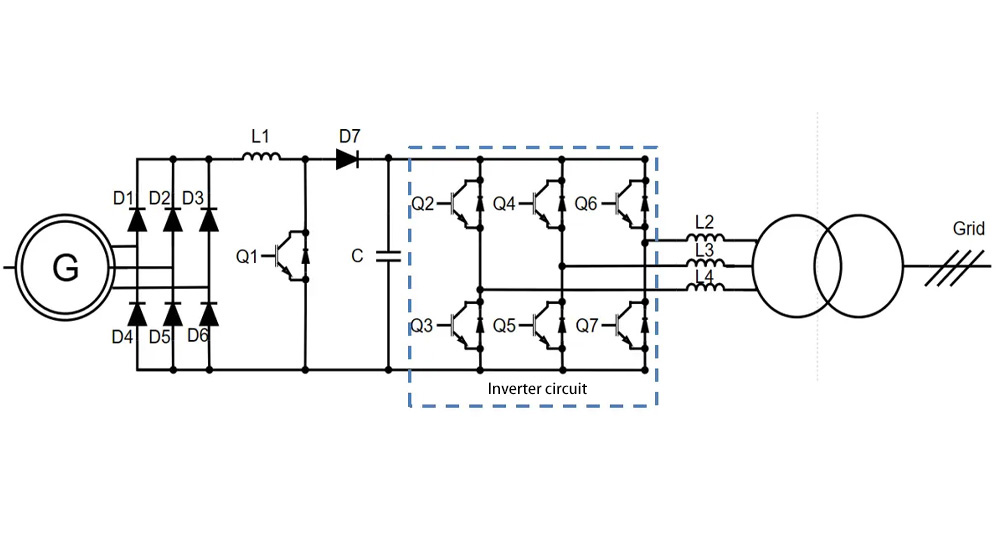
Diagrama de Topologia da Aplicação

Benefícios dos Sistemas de Energia Eólica
Alta Eficiência: Conversores equipados com IGBTs e MOSFETs SiC oferecem menor perda de comutação e maior eficiência de conversão.
Confiabilidade: Projetados para suportar variações de carga, umidade e temperatura em ambientes severos de operação.
Escalabilidade: Compatíveis com turbinas de diferentes capacidades, desde sistemas residenciais até parques eólicos de grande escala.
Energia Limpa: Zero emissões e integração perfeita com redes inteligentes e sistemas de armazenamento de energia.
Por que a Baoquan Zhijie
A Baoquan Zhijie fornece módulos IGBT de 1700 V, MOSFETs SiC, módulos de diodo e módulos de potência otimizados para sistemas de energia eólica. Esses dispositivos garantem alta eficiência energética, excelente estabilidade térmica e confiabilidade a longo prazo, atendendo aos rigorosos requisitos da geração moderna de energia renovável.



